1、 先说没有尺寸的参考图,这也是最常用到的背景参考图;所创建的模型只要在其轮廓内,有比例关系即可。完成模型后,可通过缩放得到合适的模型。

2、 这种参考图的调整也十分简单,打开C4D,按F5使工作区出现四视窗。分别将相应的视图拖入到对应的视窗。对正视图进行调整,放大正视图,Shift+V进入视窗设置;通过调整水平和垂直偏置,使图片的中心点与C4D的坐标重合。即可。


3、 其它视图的调整也是一样的,只要将中心点与坐标原点重合即可。 要注意的是,三个视图的比例要一至。如有不一至的视图,就是定好其中一个视图作为标准,其它视图要在水平和垂尺寸上进行调整。


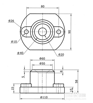
4、 第二种,带尺寸的参考图。这种参考图,所创建出来的模型就是希望尺寸与参考图一致。如何做到呢?

5、 首先,如同第一种方法一样,将相应的视图拖到对应的视窗上;通过查看数据得知,该模型的最大轮廓为顶视图直径为110的圆;创建一个圆盘,方向为+Y,外部半径为110.



6、Shift+V进入顶视图视窗设置,为方便查看,可将圆盘的显示颜色更改为红色;圆盘不动,调整背景图片的水平、垂直尺寸,使大小与圆盘相同;调整水平、垂直偏置使背景图直径为110的外圆与圆盘的轮廓重合。



7、 定好了顶视图后,正视图就简单了。可以复制作为参考的圆盘,将其方向阌毡驰璨更改为+Z;将顶视图背景的水平、垂直尺寸剞麽苍足数值复制到正视图的水平、垂直尺寸中。即可看到参考圆盘与背景图中直径为110圆柱边相吻合;参考图调整完毕。在此基础上创建出来的模型,尺寸也会与背景图上所标的尺寸一至。

