LD-E56RST嵌入式TTL专线Modem说明书:[1]

 时间:2026-04-02 04:25:48

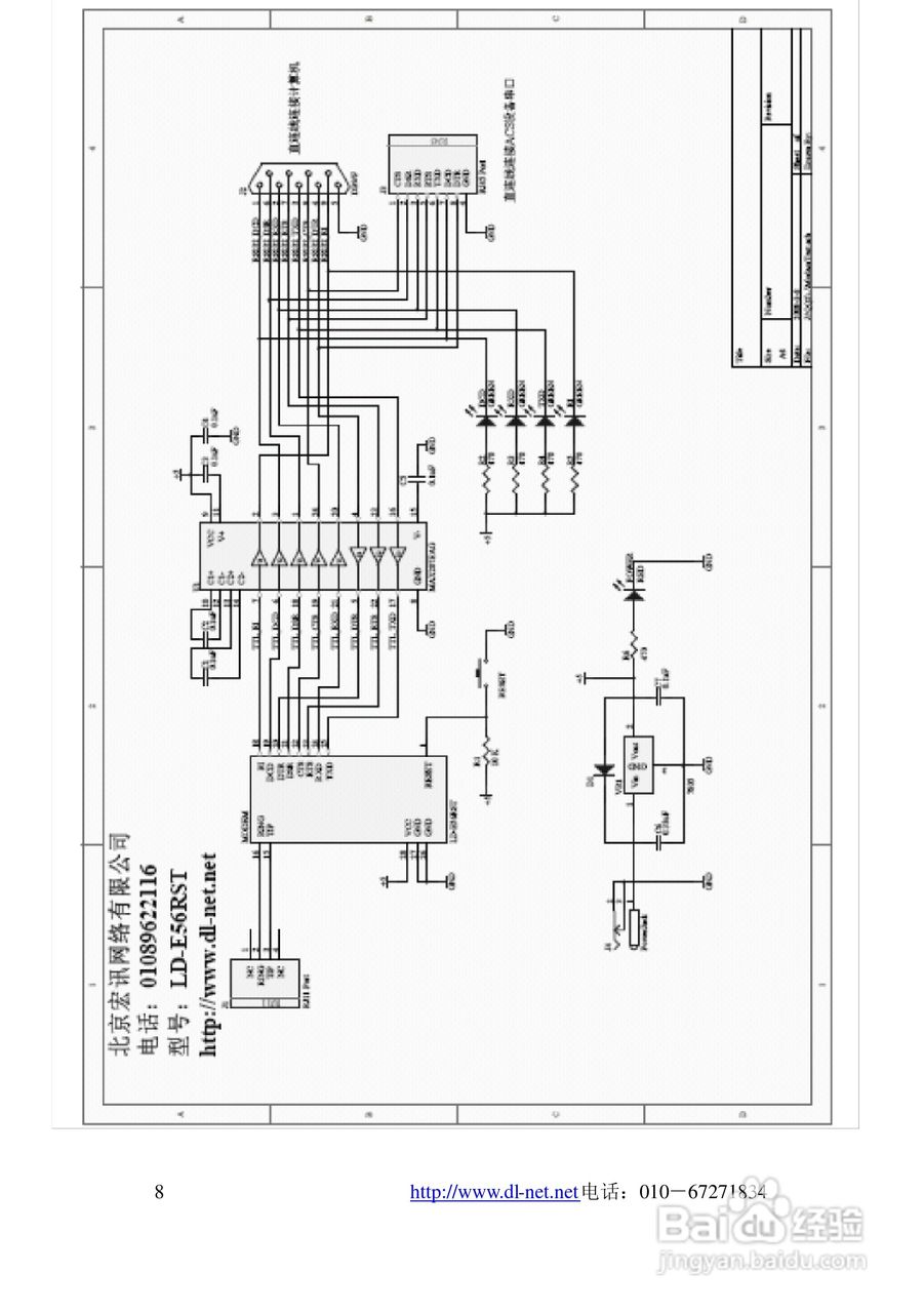
本篇为《LD-E56RST嵌入式TTL专线Modem说明书》,主要介绍该产品的使用方法以及常见故障解决方案。


LD-E56RST嵌入式TTL专线Modem说明书:[1]

LD-E56RST嵌入式TTL专线Modem说明书:[1]

LD-E56RST嵌入式TTL专线Modem说明书:[1]

LD-E56RST嵌入式TTL专线Modem说明书:[1]

LD-E56RST嵌入式TTL专线Modem说明书:[1]

LD-E56RST嵌入式TTL专线Modem说明书:[1]

LD-E56RST嵌入式TTL专线Modem说明书:[1]

LD-E56RST嵌入式TTL专线Modem说明书:[1]

LD-E56RST嵌入式TTL专线Modem说明书:[1]

LD-E56RST嵌入式TTL专线Modem说明书:[1]

(共篇)下一篇:
  • LD-E56RS 嵌入式串口MODEM说明书:[1]
  • LD-E56RS 嵌入式串口MODEM说明书:[2]
  • ttl转usb怎么接线图
  • TTL值如何修改
  • ttl是什么东西
  • 热门搜索
    成语手抄报版面设计 体育手抄报的内容 防火手抄报内容 圣诞节手抄报内容英文 关于名胜古迹的手抄报 卫生手抄报内容 节粮节水节电手抄报 我的家乡手抄报图片 五年级上册英语手抄报 平安手抄报内容