金智科技WDZ-5215短线路综合保护测控装置说明书:[1]

 时间:2026-02-15 00:47:20

本篇为《金智科技WDZ-5215短线路综合保护测控装置说明书》,主要介绍该产品的使用方法以及常见故障解决方案。


金智科技WDZ-5215短线路综合保护测控装置说明书:[1]

金智科技WDZ-5215短线路综合保护测控装置说明书:[1]

金智科技WDZ-5215短线路综合保护测控装置说明书:[1]

金智科技WDZ-5215短线路综合保护测控装置说明书:[1]

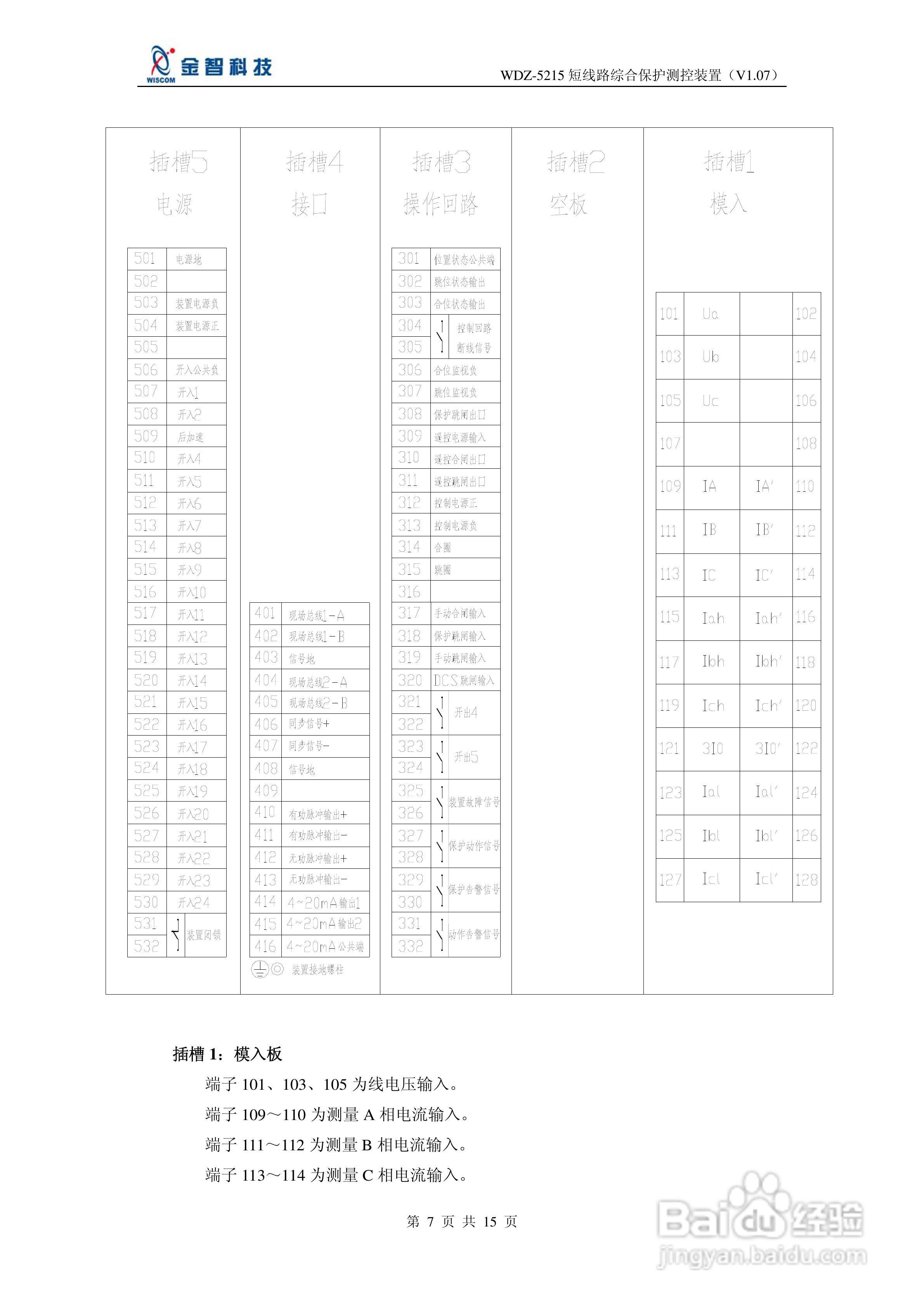
金智科技WDZ-5215短线路综合保护测控装置说明书:[1]

金智科技WDZ-5215短线路综合保护测控装置说明书:[1]

金智科技WDZ-5215短线路综合保护测控装置说明书:[1]

金智科技WDZ-5215短线路综合保护测控装置说明书:[1]

金智科技WDZ-5215短线路综合保护测控装置说明书:[1]

金智科技WDZ-5215短线路综合保护测控装置说明书:[1]

(共篇)
  • 支票遇到节假日怎么算日期
  • 怎么给孩子清洁牙齿
  • 支付宝怎么发个人红包?
  • 可乐土豆鸡翅
  • 20几岁年轻的时候需要做的和注意的事
  • 热门搜索
    创建卫生城市手抄报 卫生小常识手抄报 美德少年手抄报 无烟日手抄报 鼠年手抄报图片大全 2020鼠年手抄报 保护大自然的手抄报 预防结核病手抄报内容 2020年鼠年手抄报 国庆手抄报版面设计图