1、操作一:打开电脑,找到电脑上的CAD软件,点击打开,操作如下。

2、操作二:画一条直线,作为演示的案例,现在是默认线宽,如下图所示。

3、操作三:选中需要修改的线条,找到上方的修改线条的,点击红框处晃瓿淀眠【ByLayer】设置线宽,选中修改,操作如下

4、操作四:在界面下方【显示/隐藏线宽】按钮,直线成功显示线宽;聪艄料姹再点击一下【显示/隐藏线宽】按钮即可关闭显示线宽。操作如下

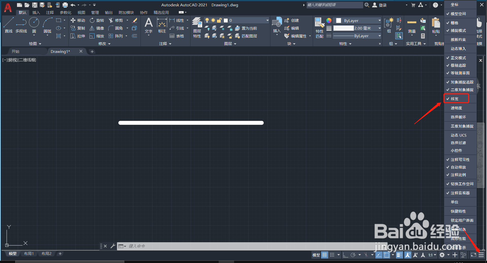
5、操作五:如果没有找到【显示/隐藏线宽】的按钮,点击下方的如图所示的地方

时间:2024-10-12 18:43:42
1、操作一:打开电脑,找到电脑上的CAD软件,点击打开,操作如下。

2、操作二:画一条直线,作为演示的案例,现在是默认线宽,如下图所示。

3、操作三:选中需要修改的线条,找到上方的修改线条的,点击红框处晃瓿淀眠【ByLayer】设置线宽,选中修改,操作如下

4、操作四:在界面下方【显示/隐藏线宽】按钮,直线成功显示线宽;聪艄料姹再点击一下【显示/隐藏线宽】按钮即可关闭显示线宽。操作如下

5、操作五:如果没有找到【显示/隐藏线宽】的按钮,点击下方的如图所示的地方
